X
首页
公司
产品
案例
新闻
留言
联系
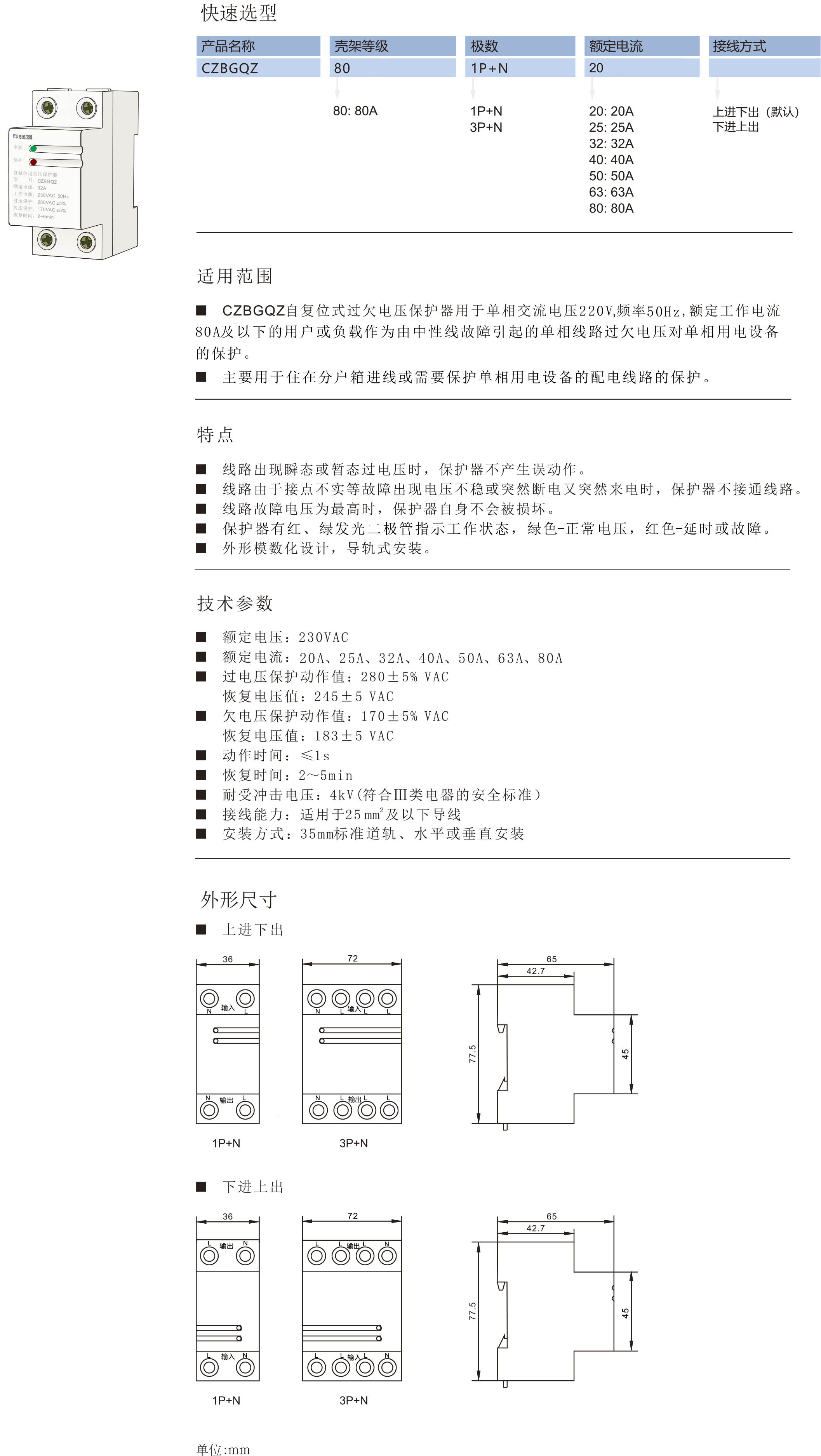
CZBGQZ自复位式过欠电压保护器
在线询价
详细内容
贵州断路器:
上一篇:
CZBG隔离开关
下一篇:
CZB45L-32K漏电保护
分享到
新浪微博
人人网
豆瓣
腾讯微博
QQ空间